半导体工艺

IGBT模块内部杂散电感的定义

时间:2024-05-16 09:36 作者:小编 分享到:
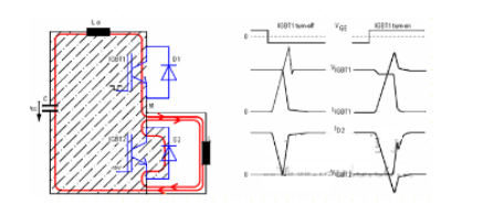
IGBT半桥逆变电路工作原理以及当IGBT1开通关断时的电压电流波形如图1所示,Lσ代表整个换流回路(条纹区域内)所有的杂散电感之和(电容器,母排,IGBT模块)。(清洗设备FOUP清洗机

blob.pngblob.png
图1:IGBT半桥电路以及IGBT1开关时电压电流波形
由于电流的变化,杂散电感Lσ两端感应出大小为Lσ*dioff/dt的压降,该压降被当作是一个电压尖峰叠加在直流母线电压VCC上,同时施加在关断的IGBT1两端。允许的极限电流关断速度di/dt及过压能力可以从IGBT的RBSOA(反偏安全工作区)曲线(图2)推导出。如果测量是通过IGBT的辅助CE端子,则该曲线是有效的。如果测量是在IGBT模块主端子上进行的,考虑到主端子与辅助端子之间的杂散电感,规格书中会相应给出降额曲线。对于IGBT两单元模块,此图所示为两个换流IGBT开关其中之一两端电压。(四川半导体设备
blob.png
IGBT模块内部杂散电感值Ls会直接给出用于计算,对于单个开关IGBT模块,Ls的值是模块主端子到辅助端子之间的杂散电感。对于两单元IGBT模块或者包含有多相桥臂的IGBT模块,Ls的值取决于应用中对应的上管和下管之间有效的换流回路。根据IGBT模块的结构,该值会明显小于上管和下管分别确定的杂散电感之和。在一个单相桥臂以上的模块中,从正电源电压,通过该相桥臂,回到负电源电压的换流回路总是最坏的情况。(四川微组装设备
可通过二极管关断的过程测量内部杂散电感。在某一时刻,当二极管的正向电流下降速度保持恒定,二极管仍然没有阻断能力时,两端产生压降。该压降只能是由于模块的杂散电感产生,无其他影响因素。模块杂散电感可以通过下式获得:Ls=△V/diF/dt。(四川实验室检测设备
blob.png

更多的四川半导体微组装设备资讯请联系:18980821008(张生)19382102018(冯小姐)

四川省微电瑞芯科技有限公司http://www.wdrx-semi.com/

版权所有:四川省微电瑞芯科技:http://www.wdrx-semi.com 转载请注明出处