IGBT和MOS管的区别:
IGBT和可控硅的区别:
IGBT驱动电路设计:
1.IGBT驱动电路的设计
1. 设计IGBT驱动电路需要考虑的性能参数
2.IGBT驱动器的选择
在实际电路中,栅极电阻的选择要考虑开关速度的要求和损耗的大小。栅极电阻也不是越小越好,当栅极电阻很小时,IGBT的CE间电压尖峰过大 栅极电阻很大时,又会增大开关损耗。所以,选择IGBT驱动器时要在尖峰电压能够承受的范围内适当减小栅极电阻。由于电路中的杂散电感会引起开关状态下电压和电流的尖峰和振铃,在实际的驱动电路中,连线要尽量短,并且驱动电路和吸收电路应布置在同一个PCB板上,同时在靠近IGBT的GE间加双向稳压管, 以箝位引起的耦合到栅极的电压尖峰。
3.IGBT驱动电路的设计
隔离驱动产品大部分是使用光电耦合器来隔离输入的驱动信号和被驱动的绝缘栅,采用厚膜或PCB工艺支撑,部分阻容元件由引脚接入。这种产品主要用于IGBT的驱动,因IGBT具有电流拖尾效应,所以光耦驱动器无一例外都是负压关断。下面我们就以M57962L来为基础设计相关的驱动电路!


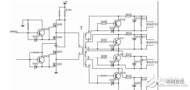
多电路输出的IGBT驱动设计
工作原理为:PWM控制芯片输出的两路反相PWM 信号经元件组成的功率放大电路放大之后,再经脉冲变压器隔离耦合输出4路驱动信号。4路驱动信号根据触发相位分为相位相反的两组。驱动信号1与驱动信号3同相位,驱动信号2与驱动信号4同相位。该电路采用脉冲变压器实现了被控IGBT高电压主回路与控制回路的可靠隔离,IGBT 的GE间的稳压管用于防止干扰产生过高的UGE而损坏IGBT的控制极。与MOSFET一样,负偏压可以防止母线过高du/dt造成门极误导通。但只要控制好母线电压瞬态过冲,可不需要IGBT的负偏压。此电路中,脉冲变压器次级接相应电路将驱动波形的负脉冲截去,大大减少了驱动电路的功耗。由于IGBT的开关特性和安全工作区随着栅极驱动电路的变化而变化,因而驱动电路性能的好坏将直接影响IGBT能否正常工作。为使IGBT能可靠工作。IGBT驱动电路需要满足以下要求:
IGBT驱动电路设计的趋势
集成化模块构成的IGBT栅控电路因其性能可靠、使用方便,从而得到了普遍应用,也是驱动电路的发展方向。各大公司均有不同系列的IGBT驱动模块,其基本功能类似,各项控制性能也在不断提高。例如富士公司的EXB系列驱动模块内部带有光耦合器件和过电流保护电路,它的功能如下图所示。


更多的四川半导体微组装设备资讯请联系:18980821008(张生)19382102018(冯小姐)
四川省微电瑞芯科技有限公司http://www.wdrx-semi.com/
